TOP VIP
Город
თბილისი
Адрес
ნ. ყიფშიძის ქ. #9B
Описание
ჩვენი გაზომვის სისტემები შექმნილია ენერგიის მოსავლიანობის პროგნოზების გამოსათვლელად, ქარისა და მზის ელექტროსადგურების მონიტორინგისთვის და ქარის ტურბინების სიმძლავრის მრუდების ანალიზისთვის.
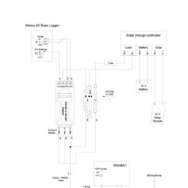
ქარის ელექტროსადგურის მოწყობამდე, ადგილზე შეფასებისთვის უნდა გაიზომოს ადგილობრივი ქარის პირობები. შეგროვებული მონაცემების საფუძველზე, კონსულტანტები გამოთვლიან ქარის ენერგიის მოსალოდნელ მოსავლიანობას.
ჩვენ ვქმნით თქვენს ადგილზე სპეციფიკურ ქარის გაზომვის სისტემას შესაბამისი სენსორებით, კომუნიკაციისა და ენერგომომარაგების სისტემით.
info@airsystems.ge
მისამართი: ნ. ყიფშიძის ქ. #9B. თბილისი. საქართველოს. 0162.
ტელეფონი: +995 577 04 00 28
https://www.facebook.com/AirSystems.ge/
ქარის ელექტროსადგურის მოწყობამდე, ადგილზე შეფასებისთვის უნდა გაიზომოს ადგილობრივი ქარის პირობები. შეგროვებული მონაცემების საფუძველზე, კონსულტანტები გამოთვლიან ქარის ენერგიის მოსალოდნელ მოსავლიანობას.
ჩვენ ვქმნით თქვენს ადგილზე სპეციფიკურ ქარის გაზომვის სისტემას შესაბამისი სენსორებით, კომუნიკაციისა და ენერგომომარაგების სისტემით.
info@airsystems.ge
მისამართი: ნ. ყიფშიძის ქ. #9B. თბილისი. საქართველოს. 0162.
ტელეფონი: +995 577 04 00 28
https://www.facebook.com/AirSystems.ge/
- Пожаловаться на объявление Отозвать жалобу
- 732 Просмотра(ов)